Obsah
Pro podsvícení sazenic pojmout různé typy lamp, ale ne všechny jsou stejně užitečné. Rostlinám se daří pod červeným a modrým světelným spektrem. Je také důležité vzít v úvahu teplotu světla. LED diody pomáhají vytvářet optimální světelné podmínky. semenáčkové lampy továrna a domácí.
Spektra a teplota barev
Při výběru vhodné LED lampy pro osvětlení sazenic musíte zjistit, jaké spektrum a teplotu barev vyzařuje. Rostliny budou těžit z:
- Modrá záře má pozitivní vliv na vývoj buněk. Optimální teplota barev je 6400 K.
- Červená záře stimuluje vývoj sazenic a kořenů. Optimální teplota barev je 2700 K.
Rostliny jsou citlivé na světlo - 8 tisíc luxů. Takových indikátorů je u umělých světelných zdrojů obtížné dosáhnout. Pokud jsou sazenice osvětleny LED diodami, získá se osvětlení asi 6 tisíc luxů.
Doba dodatečného osvětlení pro každou plodinu se liší. Při výběru osvětlení LED pro sazenice lze provozní režim nastavit s následujícím časovým limitem: po vyklíčení se sazenice zelí a rajčat osvětlí po dobu 16 hodin, sazenice dospělých rajčat - 14 hodin, okurky - 15 hodin, papriky - 10 hodin.
Začínající pěstitelé zeleniny se zajímají o otázku, zda je povoleno osvětlení sazenic bílými LED diodami, pokud nejsou k dispozici žádné speciální lampy. Faktem je, že vrchol modrého a červeného spektra požadovaného pro fotosyntézu rostlin je 440 a 660 nm. Bílé LED diody se vyznačují širokým emisním spektrem, ale jejich vrcholy jsou abnormální. Na druhou stranu se výsadbový materiál dobře vyvíjí pod zářivkami. To znamená, že jsou také vhodné bílé jednoduché LED lampy pro osvětlení sazenic.
Výška jeho umístění nad sadbovým materiálem závisí na výkonu LED lampy. Některé kultury mají rádi silný jas, jiné umírněné. Optimální je udržovat mezeru mezi rostlinami a lampou - od 10 do 50 cm.
Video poskytuje přehled LED lamp pro podsvícení:
Výhoda LED světelných zdrojů
Kromě úspory energie má domácí osvětlení sazenic pomocí LED lamp následující výhody:
- Dlouhá životnost. LED diody jsou schopné svítit až 50 tisíc hodin za předpokladu, že je správně uspořádán odvod tepla.
- Vypálenou LED můžete snadno vyměnit sami v domácím osvětlovacím zařízení. Oprava bude stát mnohem méně nákupem nové lampy.
- LED diody lze vybrat podle teploty a barvy záře, což vám umožní vytvořit optimální osvětlení pro každou skupinu rostlinného materiálu.
- Hladká změna jasu stmívače záře přibližuje umělé podsvícení přirozenému světlu.
- Nízká tvorba tepla vám umožní přivést LED lampu co nejblíže k sazenicím bez rizika popálení.
- LED diody neobsahují rtuť ani jiné škodlivé látky.
- Lampa pracuje s napětím 12 nebo 24 voltů, což zvyšuje bezpečnost pěstitele zeleniny pro výsadbu.
Nevýhodou jsou stále vysoké náklady na vysoce kvalitní LED diody, ale za 2-3 roky se podsvícení vyplatí.
Odrůdy lamp
Produkty LED osvětlení se vyrábějí v různých velikostech a tvarech. V závislosti na množství sadby lze lampy doplnit nebo samostatně sestavit z LED podle jednotlivých parametrů. Při výběru tvarových zařízení se řídí následujícími parametry:
- Trubkové modely jsou vhodné pro uspořádání osvětlení na dlouhých úzkých policích nebo okenních parapetech.
- Tablety nebo panely ve tvaru čtverce pokrývají velkou plochu. Svítidlo je vhodné pro osvětlení širokých polic.
- Při pěstování malého počtu sazenic se používá jediná lampa s nízkým výkonem.
- Světlomety osvětlují širokou oblast velkým množstvím rostlinného materiálu.
- Uspořádejte osvětlení pomocí volného tvaru lampy led pásek.
U LED žárovek pro sazenice se cena určuje podle kvality a vlastností LED. Upřednostňovat by se neměly levné lampy, ale ty, které jsou vhodnější pro pěstování rostlinného materiálu.
Sestavení domácí lampy
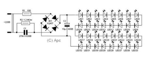
Domácí LED lampy pro osvětlení sazenic lze pájet z jednotlivých žárovek. Prezentovaný obvod na fotografii se skládá z LED diod a napájecího zdroje usměrňovače. Složitost montáže spočívá ve velkém počtu dílů, které mají být pájeny.
Je snazší sestavit lampu z LED pásky a starého pouzdra zářivky:
- Nejprve je veškerá náplň odstraněna zevnitř a místo ní je nainstalována hliníková deska - chladič.
- LED pásy modré a červené záře jsou rozřezány na kousky po jednom modulu. Body řezu jsou označeny nůžkovým vzorem.
- Každý modul je připájen vodiči, střídajícími se barvami. Červené žárovky jsou obvykle 5-8krát více než modré diody.
- Chladič je odmaštěn alkoholem. Ze zadní strany samopájeného pásku LED odstraňte ochrannou fólii a přilepte ji na hliníkový proužek.
- Páska je připojena k 12 nebo 24 voltovému zdroji napájení v závislosti na vlastnostech produktu. Pokud lampa svítí normálně, na tělo se umístí nativní matný difuzor.
Sestavení lampy z fyto pásky LED bude ještě snazší. Žárovky jsou již vybrány na pásku různých barev záře, což vám ušetří časově náročný proces oddělování a pájení modulů.
Video ukazuje LED podsvícení:
Tipy pro výběr světelných zdrojů LED
Chcete-li zjistit, které LED lampy pro sazenice jsou lepší, pomohou vám užitečné tipy.
Formulář
Dlouho police nebo je lepší osvětlit parapet lineární lampou. Modely s kulatým suterénem jsou vhodné pro osvětlení volně stojících sazenic. Svítidla vytvářejí omezený výstupek světelného bodu a několik kusů bude muset být zavěšeno na dlouhých úsecích.
Spektrum LED
Červená a modrá záře je užitečná pro vývoj sazenic, ale pokud se vlnová délka neshoduje, bude mít fytolampa malý užitek. Při nákupu produktu je důležité prostudovat spektrogram na obalu. Optimální modrá vlnová délka je 450 nm a červená vlnová délka je 650 nm. Pokud se parametry odchylují nebo chybí spektrogram, je lepší odmítnout koupit fytolampu.
Napájení
Při výpočtu výkonu LED lamp pro sazenice je třeba rozlišovat dva důležité parametry:
- jmenovitý výkon označuje mezní parametr provozu LED;
- skutečný výkon je to, kolik LED skutečně vydá.
Žárovky nelze neustále provozovat při jmenovitém výkonu, jinak rychle selžou. Je přijatelné přivést napětí o polovinu. Pokud vezmeme 3W LED, pak jeho skutečný výkon je 1,5W.
Celkový výkon svítidla se vypočítá podle počtu LED.Kromě toho je shrnuta skutečná, nikoli nominální síla.
Chladič
LED diody vyzařují málo tepla, ale zahřívají se. Radiátory jsou hliníkové chladiče, které zabraňují přehřátí krystalů nad přípustnou teplotu 75 ° CoC. V případě přehřátí LED změní své parametry nebo selže. Malý radiátor není schopen odvádět teplo z velkého počtu žárovek.
Čím větší je vzdálenost mezi LED diodami, tím lépe. Chladič si poradí se svými funkcemi rychleji.
Mezera mezi fytolampou a vrcholky rostlin
Síla fytolampy | Vzdálenost k sazenicím | Projekce světelného bodu (průměr) |
7-10 wattů | 20-30 cm | 25-30 cm |
7-10 wattů | 35-40 cm | 45-50 cm |
15-20 wattů | 40-45 cm | 85-90 cm |
Když se provádí dodatečné osvětlení sazenic pomocí LED lamp, je důležité správně vypočítat vzdálenost mezi vrcholy rostlin a zdrojem světla. Rozsah mezery je obvykle od 10 do 50 cm. S přihlédnutím k síle fytolampy, průměru světelné skvrny a vlastnostem pěstované vegetace se vypočítá optimální vzdálenost.
Spektra fytolampy
Aby bylo LED osvětlení sazenic prospěšné, musíte zvolit správnou fytolampu. V závislosti na složení spektra je světelný zdroj rozdělen do tří skupin:
- dvoubarevné lampy vyzařují modré a červené světlo. Fytolampa je vhodná pro osvětlení sazenic při standardním pěstování na policích nebo parapetu.
- Plnospektrální lampa zobrazuje své vlastnosti v názvu. Produkt univerzálního účelu, jehož záře je svými parametry blízká slunečnímu záření.
- V lampě „multispectrum“ je ke dvěma primárním barvám přidána bílá záře a jedna vzdálenější červená barva. Světelný zdroj slouží k doplňkovému osvětlení dospělých rostlin v uzavřené místnosti.
Při nákupu LED lamp byste měli upřednostňovat značkové výrobky se zárukou. V případě poruchy je prodávající povinen zboží vyměnit.
Ohlasy
Recenze LED lamp pro sazenice mají jinou povahu. Navrhujeme, abyste se s několika z nich seznámili.









